About Us
ASA Services
Other Services
Technical Papers & Videos
Project References
Contact Us
About Us
ASA Services
Other Services
Technical Papers & Videos
Project References
Contact Us
Technical Papers & Videos
A collection of ON Engineers Technical Papers & Videos
Technical Papers
Videos
Part I - Partial Discharge
On Site Partial Discharge Measurement Of Mineral Oil Distribution Transformer Using Single Phase Induced Voltage Source , An Alternative To The Use Of Three Phase Induced Voltage Source
July 30, 2024
Partial Discharge Localization in 22kV Cables using Single-end and Dual-end Methods
July 30, 2024
On-line measurement of partial discharge at a cable termination
July 30, 2024
Detecting Partial Discharge with Ultrasonic Measurement
July 28, 2024
On-Line Partial Discharge Measurement on High Voltage Equipment using the Continuous Mode Transient Earth Voltage (TEV) Technique
July 24, 2024
The use of multiple sensors for the on-line partial discharge measurement of high voltage electrical equipment
July 24, 2024
Part II - Transformer
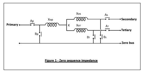
Measurement of Zero Sequence Impedance for Three Winding Transformers
July 30, 2024
Dissolved Gas Analysis (DGA) of mineral oil used in transformers
July 30, 2024
Commissioning a test for a differential protection scheme for a three-winding transformer
July 30, 2024
Part III - Cables
The Danger of DC High Voltage Test for XLPE Cables at Site
July 30, 2024
The Measurement of Dissipation Factor for the Detection of the Deterioration of Electrical Insulation in Transformers, Motors and Cables
July 30, 2024
22kV Cable Termination Failure at Switchgears And Transformers – A Common Cause Of Voltage Dip In Singapore
July 30, 2024
Part IV - Fault Current
Symmetrical components theory for calculation of fault current using simple drawings
July 30, 2024
The Loss of Discrimination Due to Instantaneous Trip Elements of Over current and Earth Fault Protection at the Customer 22kV Electrical Installation
July 30, 2024
The use of triggered current limiters to reduce prospective fault currents in high voltage systems
July 30, 2024
Electrical Fault Level Calculations Using the MVA Method
July 30, 2024
The Use of Software for Electrical Fault Current Calculations
July 30, 2024
The use of simple drawings to determine fault currents
July 30, 2024
Others
Time of Flight Method To Locate Cable PD
May 19, 2025
Impedance Modelling of 3 Winding Transformer
May 19, 2025
Finding Fault in electrical installation
July 30, 2024
Watch Playlist:
Faults at Cable Termination
September 19, 2024
Watch Playlist:
Dissolved Gas Analysis of Transformer Oil
September 20, 2024
Watch Playlist:
The use of multiple sensors, of electrical and non-electrical type, for online partial discharge measurement of cables, transformers, switchgears and motors.
September 20, 2024